岳阳产品介绍

QIFENG MACHINERY

  • 岳阳产品介绍 | 岳阳J40-TS

  • J40-TS机型适用于生产10-200毫升的产品。采用可调压力装置,变频控制挤料,这将减少近50%的能源耗。
  • 马上了解
更多信息

●耗电量参数:

变频马达螺杆加热段液压驱动马达模头加热段机器至大耗电量
7.5kW5kW5.5kW1.3~2.6k19W



●技术参数:

螺杆直径螺杆比(长度/直径)螺杆速度(50Hz)至大挤出量(PE)机筒加热段
40mm24:115~103rpm20~22kg/h3段Zone
锁模行程锁模力(160Bar)干循环周期冷却水用量机器净重(约数)
100mm3Tons3秒0.8m³/min1.2Tons



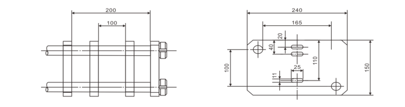
产品尺寸:

J40-TS-尺寸.jpg



●模板安装尺寸:

J40-TS-安装尺寸.jpg


●其他信息:

尺寸:J40-TS机型适用于生产10-200毫升的产品。


机头连接:可选配单、双、三、四模头供客戶选择,以实现批量化生产。


速度:干循环速度高达3秒钟。正常条件下,四模头吹塑周期为7秒钟,产量每天可达90000支。


塑胶材料:J40-TS可用于PE、PP、PETG、PVC、PA6、ABS、PCTG、AB等容器的生产。


节能的吹挤及生产压力装置:J40-TS采用可调压力装置,变频控制挤料,这将减少近50%的能源耗。



●产品细节:

J40-TS-细节.jpg


TOP